1、可以
2、不可以。
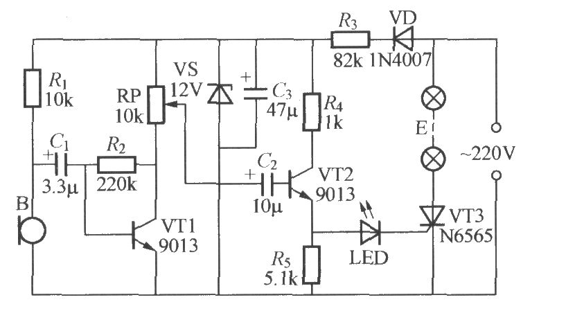
關(guān)鍵用在什么地方。我曾經(jīng)用100K電位器代替10K電位器。
懂電子的,看了如下圖,就知道我說(shuō)得沒(méi)錯(cuò)了。
第一種方式,前一張圖,可以用100K代替10K,后一張圖,馬馬虎虎也行,但正常工作點(diǎn)有所改變。
第二張圖,不能,RP如果換100K,三極管工作狀態(tài)變了,不工作了(圖片中不是電位器,是可調(diào)電阻,只是為了說(shuō)明原理,所以用這張圖片)。

[ 此帖被meipingboy在2012-06-28 13:15重新編輯 ]