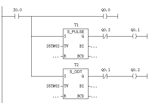
從程序可以看出 ,Q0.0是主接觸器,Q0.1是星,Q0.2是角,
說危險,Q0.1 Q0.2 沒有時差,也沒有確認手段
若發生Q0.1未釋放,Q0.2就吸和了,結果是啥?
當然可以用硬件線路互鎖來保證,但編寫程序要預想到一些特殊情況,其實解決起來也比較簡單
1可將Q0.1 釋放到Q0.2吸和加入500毫秒的時差,但若發生Q0.1所接的接觸器因過流粘死不釋放,還是會發生短路現象。
2或把兩個接觸器的輔助觸點引至輸入點,將程序中第二行和第三行的虛擬接觸器觸點變成實際的觸點反饋。
另外個小毛病就是,星接觸器容量通常小于主接觸器,程序使主接觸器與星接觸器同時吸和,星接觸器是帶載吸和,壽命會大大縮短
星角啟動過程應該是:
啟動信號--封芯吸合--主接觸吸和--延遲--封芯釋放--封角吸合

這段程序看似和樓主的程序沒什么區別,其實每個接觸器的動作都有50-300毫秒的延遲,容量大的接觸器會延遲長些
[ 此帖被醉湮邃虞在2014-03-07 18:48重新編輯 ]