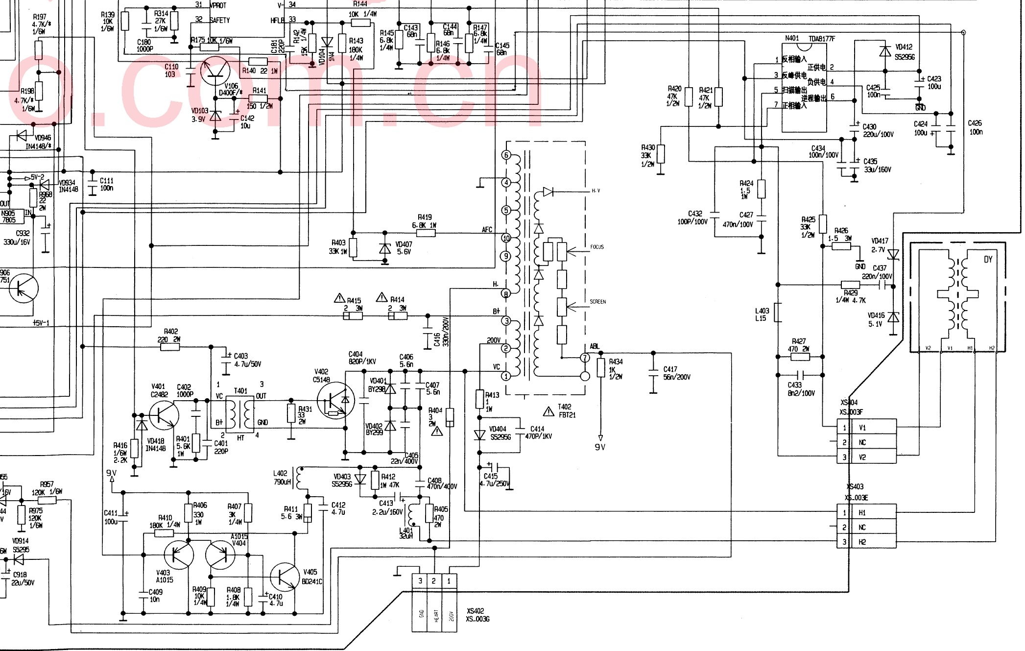
行輸出部分圖,點擊可放大。
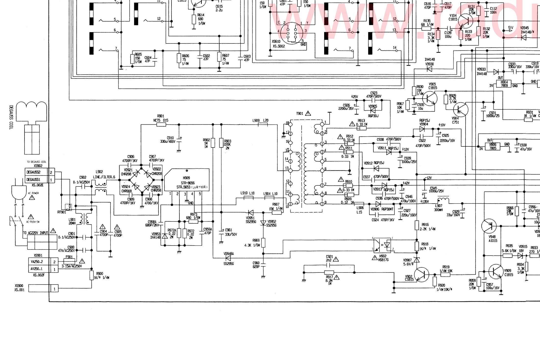
電源部分圖,點擊可放大。

引用
引用第14樓meipingboy于2013-06-17 21:09發表的 :
燒行管 最好用原型號行管測試,有可能代用管子有問題。
VCT 3801A 發燙,可能損壞,換一塊試試也可以。也有可能是樓上所說行頻底引起燒行管也有可能,一般行頻底燒行管,行管會燙的。
還有可能是是逆程電容質量不好,我碰到過無規律燒行管。
另外,行電壓143V有點偏高(場電源+12V和 -12V 也偏高2V左右),最好調到135V,
.......
再次感謝!
昨天沒有修,因為去購材料了,我現在將VCT 3801A 更換了,再將原來的行管V402(圖中C5148)進行更換為D2901(不知這個管子是否可替換?),現在VCT 3801A 開機后不燙了,證實它確實已經損壞,但依然是三無。測行管V402 D2901 b、e直流電壓為0V(不知是否正常?),c為143V。
在指示燈為黃色的狀態下,可以看到顯像管管口處的燈絲亮了,但三無。此時測電容C910兩端有285V電壓,C927兩端直流電壓正為141V, 再測VCT 3801A 的各腳電壓正常:3、7、15腳:5V,25腳3.3V,54:3.3V,58:4.8V,59:3.1V ,60:3.5V,61:4.9V。
同時測量T901變壓器各腳直流電壓(黑表筆接1腳,紅表筆依次接各腳):2-8腳為0V,9腳為2.5V,10:147V,11,12:145V,13:143V,15-18腳:-137V。
測量高壓包T402各腳直流電壓:1,2,3:134V,4,5,6,8,9,10:0V,7:3V。
電源厚膜塊N909 STR8656 各腳直流電壓(黑表筆接3腳,紅表筆依次接各腳,括號內為正常參考值):1:280V(305V),2:0.05V(0.02V),4:31V(32V),5:2.33V(2.4V)。
請問各位師傅,這是正常的嗎?該如何著手查找呢?
[ 此帖被kv47sn在2013-06-19 21:33重新編輯 ]